Passer au contenu principal

Système hybride parallèle

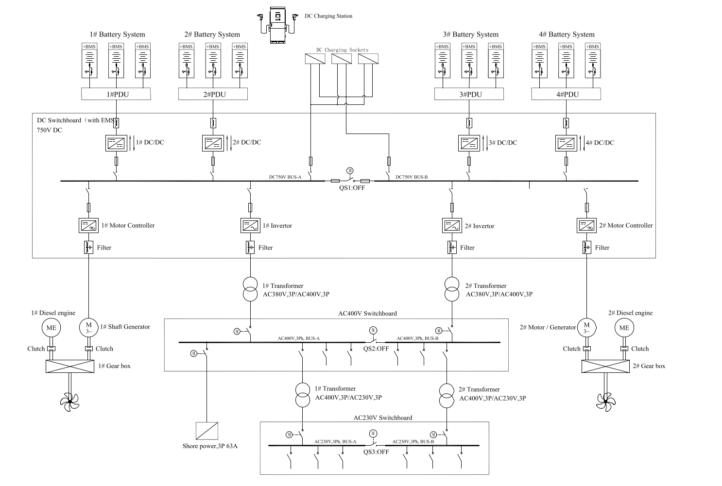
Parallel Hybrid System - Electric Marine Propulsion systems from ePropulsion
Auxiliary Diesel Engine
Auxiliary Generator
Batterie
Main AC Switchboard
DC Distribution Converter
Main Engines
PTO/PTI Generator/Motor
Propulsion Gearbox
Transformer
Bow Thrusters

The Parallel Hybrid System integrates an electric machine (motor/alternator), in PTI/PTO configuration and diesel or gas engines, both connected to the same propulsion shaft. This setup allows the vessel to run on electric power, mechanical power, or both simultaneously, depending on operational needs. The system optimises fuel efficiency and reduces emissions while ensuring continuous and reliable power availability.

How It Works

During low-speed operations (such as in ports or environmentally sensitive areas), the vessel operates in pure electric mode.

For higher power demands, the diesel or gas engine can take over propulsion directly or drive the electric machine (PTO mode) in order to charge the batteries.

When extra power is required, both the engine and electric motor can work together, providing enhanced performance while reducing fuel consumption.

Customised:

Tailored to your vessel's unique specifications.

Reliable:

Designed for durability and operational efficiency.

Sustainable:

Built to minimise environmental impact and drive maritime decarbonisation.

Produits

Moteur
High-Performance Electric Motors for Reliable Propulsion
Energy Storage System
High-Capacity LFP Batteries for Sustainable Power
Propulsion Drive
Precision Control for Smooth and Efficient Operation
Energy Management System
Optimised Energy Control for Maximum Efficiency
DC Switchboard
Reliable Power Distribution for Martime Applications
AC Switchboard
Stable and Secure AC Power Distribution
Charging & Shore Connection
Seamless Charging Solutions for Electric and Hybrid Vessels